На главную страницу
   
 Пресс-центр
 Новости
 Публикации
 Избранные объекты
 Верификационные тесты
 Сертификаты и свидетельства
 Продукты
 ЛИРА®
 МОНОМАХ®
 ЭСПРИ
 Цены
 История версий
 Скачать
 Компания
 Контакты
 Партнеры






1
Вход
Логин   
Пароль
Запомнить меня на этом компьютере
  Забыли свой пароль?

  Главная Услуги

Галерея узлов металлических конструкций

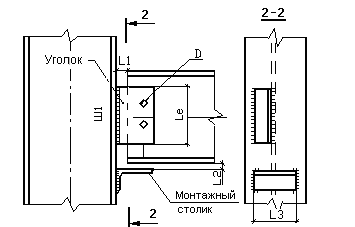
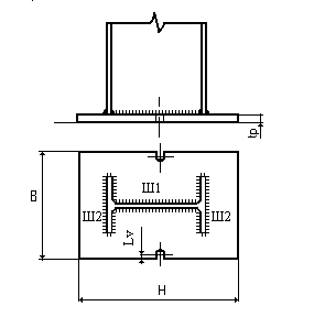
    На данный момент разработаны прототипы узлов, описывающие такие классы соединений, как базы колонн, шарнирные и жесткие примыкания балок к колоннам, стыки балок, сопряжения балок, стыки колонн, связи, фланцевые соединения балок и фланцевые соединения ригелей с колоннами. Прототип узла представляет собой расчетную модель, состоящую из некоторого количества параметров, которые в процессе расчета подбираются или проверяются на соответствие действующим строительным нормам и правилам СНиП II-23-81*.

    Каждый расчет имеет трассировку, что позволяет просмотреть в символьном и числовом виде используемые во время расчета формулы и алгоритмические условия. (Пример трассировки)

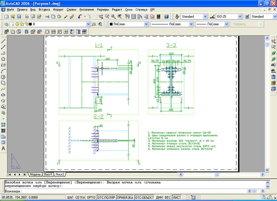
    Расчет узлов производится в среде программы ЛИР-СТК и также в среде программ ЭСПРИ. Прототип узла, с подобранными или проверенными параметрами, может быть импортирован в программу ЛИРА-КМ, где будет создана трехмерная модель данного соединения, а также все необходимые чертежи. (Пример проектирования узла)

    В последних версиях ЛИР-СТК имеется возможность конструировать сложные составные узлы из любого количества простых соединений. (Пример конструирования составного узла)

Общая классификация узлов ЛИР-СТК:

Шарнирные примыкания балки к колонне:

Жесткие примыкания балок к колонне:


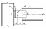
Стыки балок, стыки колонн:

Сопряжение балок:

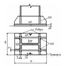
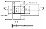
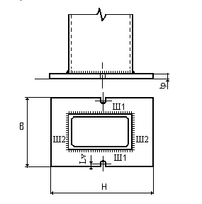
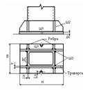
Базы колонн:

Связи:

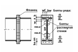
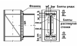
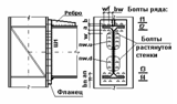
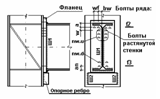
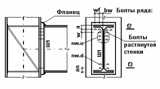
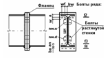
Фланцевые узлы:

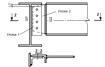
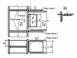
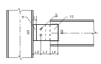
Примыкание балки к балке

Примыкание балки к колонне

Составные узлы:





Версия для печати
Поиск по сайту
Поиск по сайту


   

Контакты


Украина г.Киев,
ул. Кадетский Гай, 6а, оф.209

Карта

тел./факс: (+38 044) 520-05-23

E-mail: lira@lira.kiev.ua

Copyright © 2003-2018 ООО "ЛИРА софт".
Все права защищены.
Полное или частичное использование материалов возможно только со ссылкой на сайт.
Вопросы к администратору сайта
Статистика сайта

сегодня всего
Просмотры 11276 112581060
Хосты 3559 4473959
Посетители 8450 17897122
Сейчас на сайте
40