На главную страницу
   
 Пресс-центр
 Новости
 Публикации
 Избранные объекты
 Верификационные тесты
 Сертификаты и свидетельства
 Продукты
 ЛИРА®
 МОНОМАХ®
 ЭСПРИ
 Цены
 История версий
 Скачать
 Компания
 Контакты
 Партнеры






1
Вход
Логин   
Пароль
Запомнить меня на этом компьютере
  Забыли свой пароль?

  Главная Услуги

Расчет стальных конструкций. Трассировка расчета

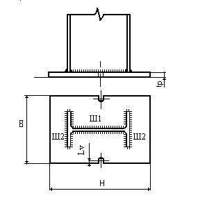
Узел 1

Выполненные проверки

Наименование Процент использования,%
Плита
99.03
Шов Ш1
30.10
Шов Ш2
30.10

Эскиз узла



Проверка: Плита

Nx*, кНMy*, кНмQz, кНMz*, кНмQy, кН
-25000000


KIp - процент использования плиты базы колонны:

KIp = 6·Mtr/(Ry·(γc/γnak·(tpl - 2)2)·100
KIp = 6·(1.17344·107)/(205·(1/1)·300·(36 - 2)2)·100 = 99.0325 %

Здесь:

Mtr = (1.17344·107) Н*мм - момент в трапецеидальном участке плиты
Ry = 205 МПа - расчетное сопротивление стали по текучести
γc = 1 - коэффициент условий работы
γn = 1 - коэффициент надежности по назначению
ak = 300 мм - длина кромки колонны
tpl = 36 мм - толщина пластины



Mtr - момент в трапецеидальном участке плиты:

Mtr = σmax·Atr·с
Mtr = 13.5208·24455·35.4886 = (1.17344·107) Н*мм

Здесь:

σmax = 13.5208 МПа - максимальное напряжение в пределах пластинки
Atr = 24455 мм2 - площадь трапеции
с = 35.4886 мм - расстояние от центра тяжести трапеции до кромки колонны



Atr - площадь трапеции:

Atr = (bk + ak)/2·h
Atr = (430 + 300)/2·67 = 24455 мм2

Здесь:

bk = 430 мм - длина кромки плиты
ak = 300 мм - длина кромки колонны
h = 67 мм - высота трапеции



bk - длина кромки плиты:

bk = B
bk = 430 мм

Здесь:

B = 430 мм - ширина пластины



ak - длина кромки колонны:

ak = Bcl
ak = 300 мм

Здесь:

Bcl = 300 мм - ширина колонны



h - высота трапеции:

h = (H - Hcl)/2
h = (430 - 296)/2 = 67 мм

Здесь:

H = 430 мм - длина пластины
Hcl = 296 мм - высота колонны



с - расстояние от центра тяжести трапеции до кромки колонны:

с = (2·bk + akh/(3·(bk + ak))
с = (2·430 + 300)·67/(3·(430 + 300)) = 35.4886 мм

Здесь:

bk = 430 мм - длина кромки плиты
ak = 300 мм - длина кромки колонны
h = 67 мм - высота трапеции

Проверка : Шов Ш2

Nx*, кНMy, кНмQz, кНMz, кНмQy, кН
-25000000


KIw - процент использования шва:

Поскольку условие (βf·kf < βz·kf) - удовлетворяется , то

KIw = |Nx|·103/(βf·(kf·(2·Hw) + kf·(2·(bf + bf - tw - 2·R)))·Rwf·βwf·γc/γn)·100

то есть условие (0.7·8 < 1·8) - удовлетворяется , то

KIw = |500|·103/(0.7·(8·(2·269) + 8·(2·(300 + 300 - 9 - 2·18)))·180·1·1/1)·100 = 30.099 %

Здесь:

Nx = 500 kН - продольное усилие в соответствующей системе координат
βf = 0.7 Таблица 34* - коэффициент, учитывающий технологию сварки
kf = 8 мм - катет сварного шва
Hw = 269 мм - высота стенки
kf = 8 мм - катет сварного шва
bf = 300 мм - ширина полки
bf = 300 мм - ширина полки
tw = 9 мм - толщина стенки
R = 18 мм - радиус закругления
Rwf = 180 МПа - расчетное сопротивление угловых швов срезу (условному) по металлу шва
γwf = 1 - коэффициент условий работы шва
γc = 1 - коэффициент условий работы
γn = 1 - коэффициент надежности по назначению
βf = 0.7 Таблица 34* - коэффициент, учитывающий технологию сварки
βz = 1 Таблица 34* - коэффициент, учитывающий технологию сварки



kf - катет сварного шва:

kf = kf
kf = 8 мм

Здесь:

kf = 8 мм - катет сварного шва



Nx - продольное усилие в соответствующей системе координат:

Nx = |(0.2·Nx)|
Nx = |(0.2·-2500)| = 500

Здесь:

Nx = -2500 kН - продольное усилие в соответствующей системе координат



Nx - продольное усилие в соответствующей системе координат:

Nx = Nx
Nx = -2500

Здесь:

Nx = -2500 kН - продольное усилие в соответствующей системе координат



kf - катет сварного шва:

kf = kf
kf = 8 мм

Здесь:

kf = 8 мм - катет сварного шва

Проверка : Шов Ш1

Nx*, кНMy, кНмQz, кНMz, кНмQy, кН
-25000000


KIw - процент использования шва:

Поскольку условие (βf·kf < βz·kf) - удовлетворяется , то

KIw = |Nx|·103/(βf·(kf·(2·Hw) + kf·(2·(bf + bf - tw - 2·R)))·Rwf·γwf·γc/γn)·100

то есть условие (0.7·8 < 1·8) - удовлетворяется , то

KIw = |500|·103/(0.7·(8·(2·269) + 8·(2·(300 + 300 - 9 - 2·18)))·180·1·1/1)·100 = 30.099 %

Здесь:

Nx = 500 kН - продольное усилие в соответствующей системе координат
βf = 0.7 Таблица 34* - коэффициент, учитывающий технологию сварки
kf = 8 мм - катет сварного шва
Hw = 269 мм - высота стенки
kf = 8 мм - катет сварного шва
bf = 300 мм - ширина полки
bf = 300 мм - ширина полки
tw = 9 мм - толщина стенки
R = 18 мм - радиус закругления
Rwf = 180 МПа - расчетное сопротивление угловых швов срезу (условному) по металлу шва
γwf = 1 - коэффициент условий работы шва
γc = 1 - коэффициент условий работы
γn = 1 - коэффициент надежности по назначению
βz = 1 Таблица 34* - коэффициент, учитывающий технологию сварки

Проверка : Дополнительная информация

Расположение локальных осей координат в элементах узла


назад в раздел




Версия для печати
Поиск по сайту
Поиск по сайту


   

Контакты


Украина г.Киев,
ул. Кадетский Гай, 6а, оф.209

Карта

тел./факс: (+38 044) 520-05-23

E-mail: lira@lira.kiev.ua

Copyright © 2003-2018 ООО "ЛИРА софт".
Все права защищены.
Полное или частичное использование материалов возможно только со ссылкой на сайт.
Вопросы к администратору сайта
Статистика сайта

сегодня всего
Просмотры 7268 112600814
Хосты 2209 4476967
Посетители 4044 17909939
Сейчас на сайте
58